PUMP CONTROL UNIT
제품 사진

제품 사양
개요
P.C 재질의 ENCLOSURE와 SHADE에 STS의 FLAME을 BOLTING 조립한 것으로써 PUMP의 조작 SEQ'를 내장하여 PUMP CONTROL을 표준화하였습니다.
특징
- 내충격성 : 방탄유리 재질로 20KJ의 충격강도 유지
- 내화학성 : 화학적가스, 염산, 해풍, 해수 등 가혹한 환경에서도 부식되지 않습니다.
적용개소
- 분진지역
- 산세 및 화학적 가스부식 지역
- 오· 폐수 처리장
MATERIAL
POLYCARBONATE (방탄유리) 3T / STS304 1.5T
COLOR
LIGHT GRAY (RAL 7035)
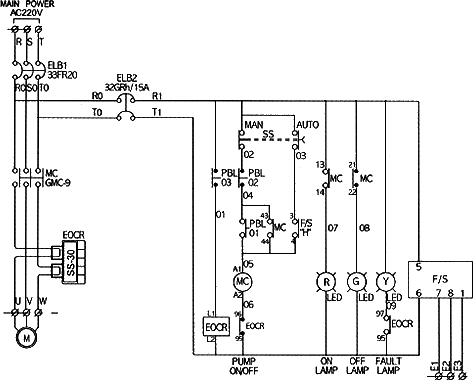
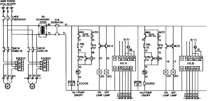
| 제어방법 | 1S (모터 1대) | 2S (정역회로) |
|---|---|---|
![]() |
||
| 제어방법 | SS (SPECIAL) | |
![]() |
||
주문 방법





