정.역 CONTROL UNIT
KB-RBP601134 (PROTECTOR)

제품 사양
개요
P.C 및 G.R.P 재질의 ENCLOSURE와 SHADE에 STS의 FLAME 및 POST을 BOLTING 조립한 것으로써 모터의 조작 SEQ'를 내장하여 정ㆍ역 CONTROL을 표준화하였습니다.(STS BOX도 가능)
특징
- 내충격성 : 방탄유리 재질로 20KJ의 충격강도 유지
- 내화학성 : 화학적가스, 염산, 해풍, 해수 등 가혹한 환경에서도 부식되지 않습니다.
적용개소
- 분진지역
- 방수, 방습지역
- 산세 및 화학적 가스부식 지역
- 오ㆍ폐수 처리장
MATERIAL
- PC(PolyCarbonate/방탄유리)
- GRP(Glass Reinforced Polyester)
- STS 304-1.5t
COLOR
- PC(PolyCarbonate/방탄유리)
- LIGHT GRAY(RAL 7035)
- STS(HAIR LINE)
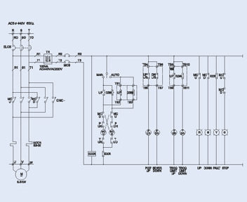
정.역기본회로

주문 방법



